復合開關控制器符合《JB/T9663-2013》和《DL/T597-1996》標準,是低壓配電系統無功功率補償的專用控制器,可與各型號低壓配電電容屏配套使用。采用國內外先進技術,具有外形合理美觀,功能完善,運行穩定可靠,補償精度高等優點。
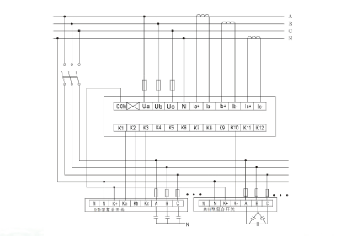
智能低壓無功補償控制器與智能復合開關配套使用
該控制器符合《JB/T9663-2013》和《DL/T597-1996》標準,是低壓配電系統無功功率補償的專用控制器,可與各型號低壓配電電容屏配套使用。采用國內外先進技術,具有外形合理美觀,功能完善,運行穩定可靠,補償精度高等優點。
外形尺寸:120mm(L)*120mm(w)*72mm(h)
安裝尺寸:開孔113mm*113mm
技術參數

主要功能
◆顯 示
采用中文液晶顯示屏,可實時監測電網有關參數,顯示設置參數、工作狀態:
●可實時顯示電網功率因數、電壓、電流、有功/無功功率、電壓總諧波畸變率、電流總諧波畸變率、頻率、電容器投切狀態和故障報警狀態;
●可顯示電流倍率、過/欠壓保護、投/切門限系數、投/切延時等;
◆設 置
●可設置電流倍率、過/欠壓保護、諧波電壓保護、投/切門限系數等參數;
●設置參數可自動記憶,掉電不丟失;
◆無功補償
●取樣物理量為無功功率,無投切振蕩、無補償呆區;
●具有手動投切和自動投切兩種運行方式;
●智能投切方式,每組電容容量自由設定;
●控制電容采用三相+分相電容,混合接法;
●控制輸出方式:每路DC12V、30mA;
◆保 護
●具有自檢復歸和看門狗功能;
●具有過壓、欠壓保護功能;
●具有諧波電壓、電流保護功能(可關閉);
●具有小電流保護功能;
●具有低功率因數保護功能;
◆數據統計及通訊(選配)
●具備電容投切統計和分區段功率因數統計的功能;
●通訊接口為485標準接口,通訊協議符合MODBUS工業協議;
●可上傳統計數據和電網實時數據,并可被遠方計算機控制電容器的投切;
接線原理圖(以12路輸出為例)

